素材 全景渲染云盘AI工具
CAD图纸
建e网建e网
上传
金点充值

一键登录/注册收获更多精彩优质内容

登录/注册
预览
预览
预览
预览
预览
预览
预览
预览
预览
预览
预览
预览
预览
预览
预览
预览
预览
  • AI
  • 预览
头像关注
  • 0

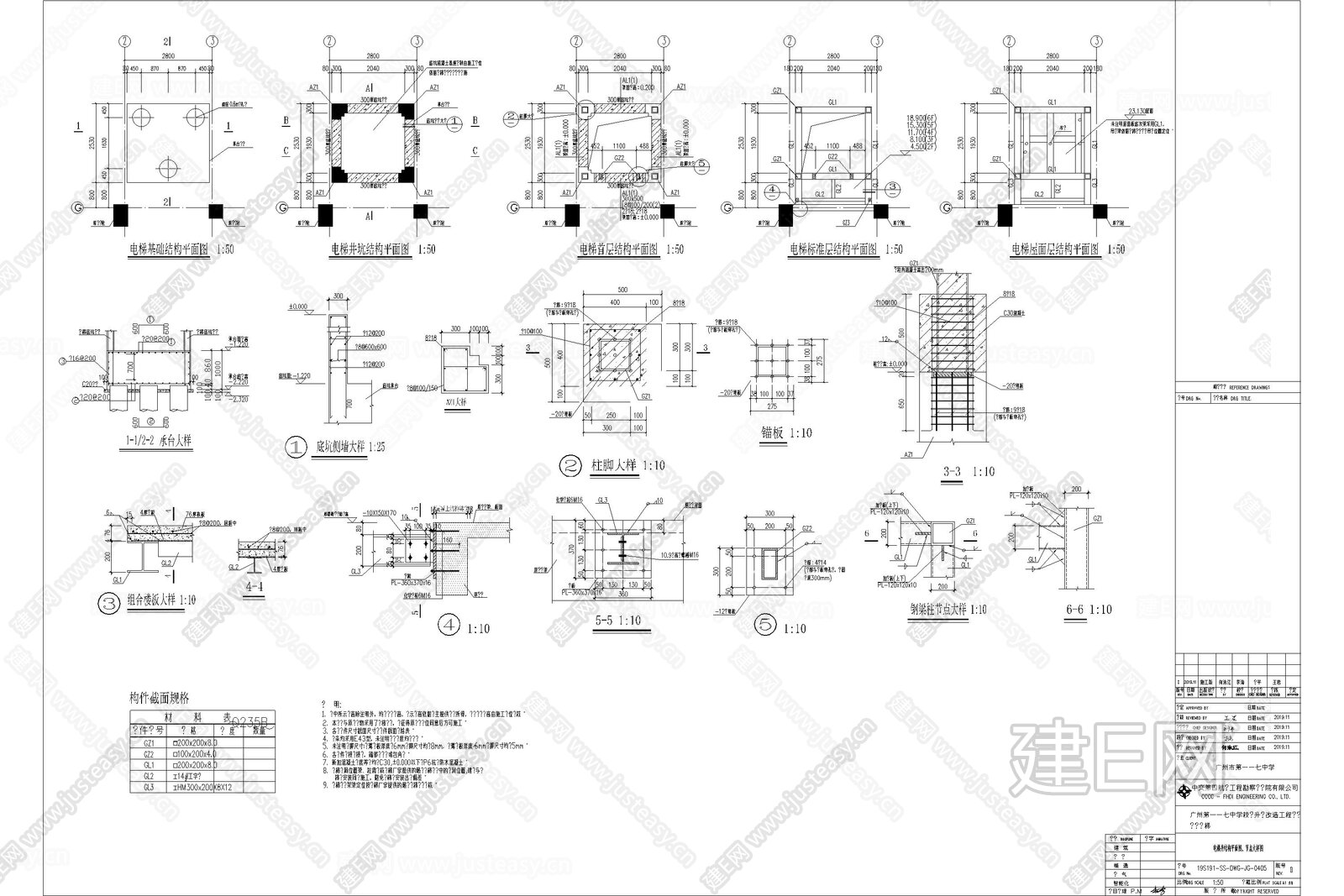
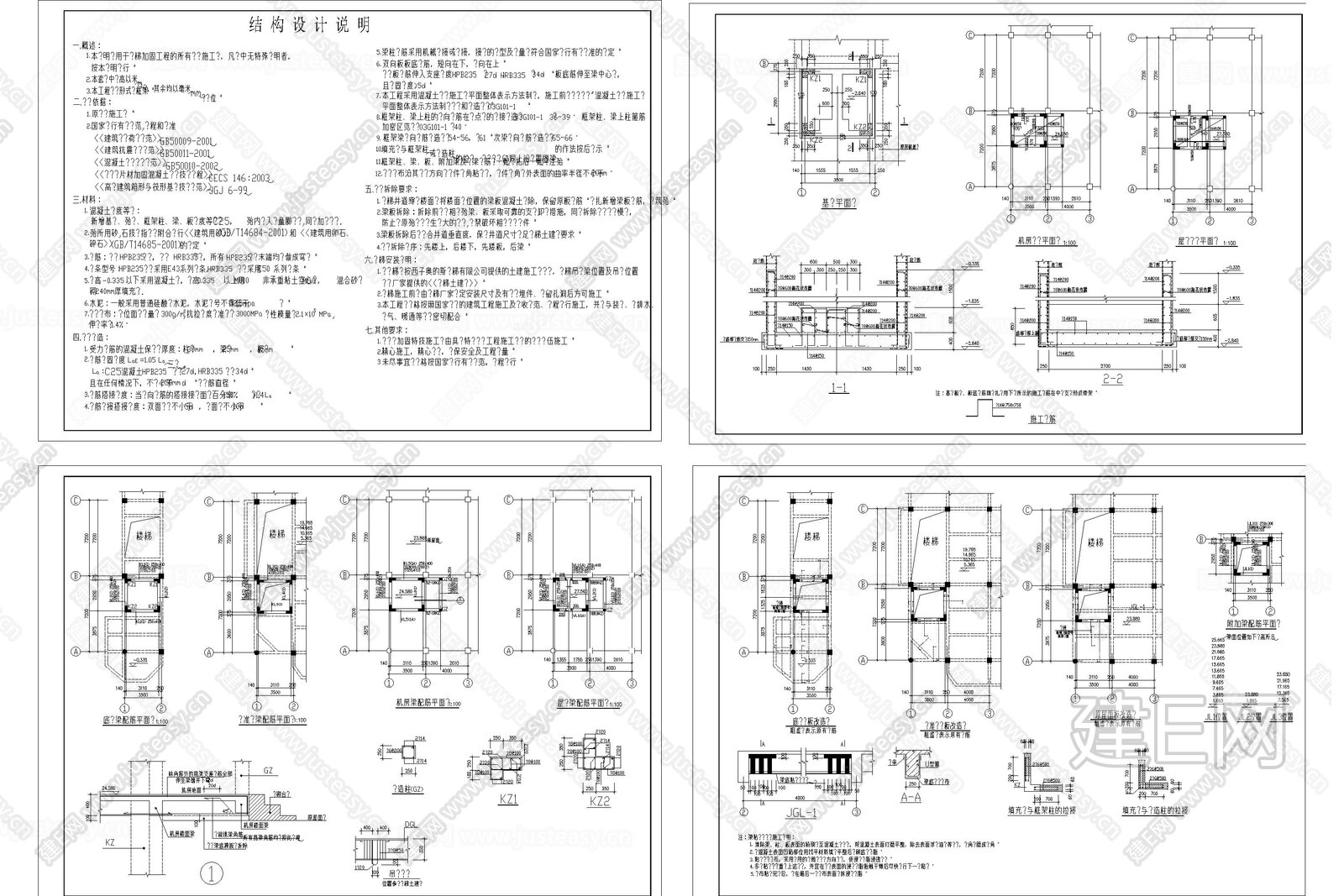
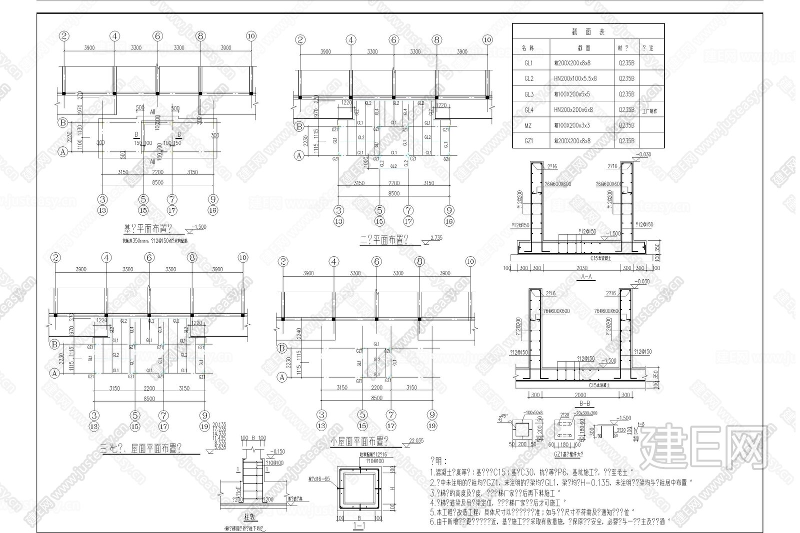
老旧小区加装电梯改造设计结构图技术措施施工文档施工图下载

ID113001331
  • 说明
  • 大小329.84 MB
  • 上传时间2024-06-17
券后:
下载云盘客户端建e云盘

▪ 用户在本站下载的原创模型后,只拥有模型的使用权,著作权归原著作权人所有,用户的下载行为不构成著作权的许可或者转让。未经合法授权,用户不得以任何形式发布、传播、复制、转售该模型,不得实施任何侵犯模型作品著作权的行为。特别地,不得擅自以建e网名义或使用“建e”、“建e网”(本站注册商标)名称发布、复制、转售所下载的模型,由此给本站造成损害的,本站将依法追究其相关法律责任。

展开

00:00:00